
CR3000 LT 系列智能差壓液位變送器可直接通過液位法蘭固定在任何位置。液位法蘭與相應的配套法蘭連接,該配套法蘭應配有墊片和固定夾緊用螺栓(配套法蘭、墊片和螺栓不在標準供貨范圍之內,用戶自配)。盡量使液位法蘭平面處于垂直位置,以減小可消除的零點偏移。電子外殼可旋轉360°,定位螺釘可將外殼固定于任一位置。
|
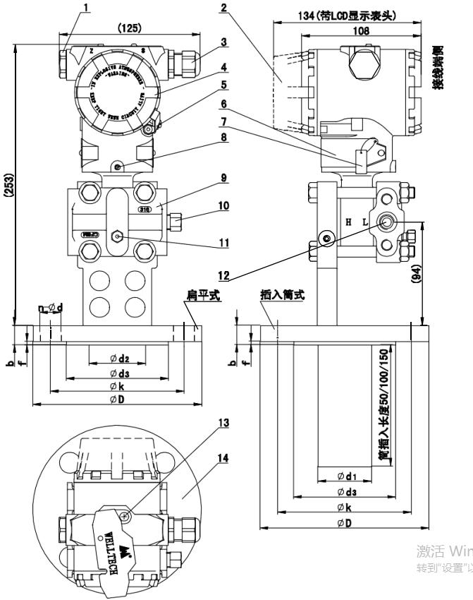
1.電氣密封悶頭 2.電子部件側表蓋 2. 電氣接口:M20×1.5 電纜密封頭 4.接線端表蓋 5.表蓋安全固定扣(防爆) 6.銘牌 7.懸掛式位號牌(選件) 8.電子外殼旋轉定位螺釘 9.低壓側過程法蘭 10.低壓側過程連接悶頭或泄放閥(選件) 11.低壓側側面泄放螺釘(選件) 12.低壓側過程連接:NPT1/4 內螺紋, 法蘭接口符合DIN19213 13.就地按鈕 14.液位法蘭 |
![]() CR3000 LT 型智能液位變送器外形尺寸(單位 mm) |
| 公稱直徑 | 耐壓等級 | D | k |
d1 (插入筒) |
d2 (平法蘭) |
d3 | f | b | n | d |
|
DN 2″ (ANSI B16.5 RF) |
Class 150 Class 300 Class 600 |
152.4 165.1 165.1 |
120.6 127 127 |
48.3 48.3 48.3 |
57 57 57 |
92.1 92.1 92.1 |
3+0.5 3+0.5 6.35 |
19 22.2 31.7 |
4 8 8 |
19 19 19 |
|
DN 3″ (ANSI B16.5 RF) |
Class 150 Class 300 Class 600 |
190.5 209.5 209.5 |
152.4 168.3 168.3 |
76 76 76 |
75 75 75 |
127 127 127 |
3+0.5 3+0.5 6.35 |
23.8 28.6 38 |
4 8 8 |
19 22 22 |
| DN 4″ | Class 150 | 229 | 191 | 89 | 89 | 157 | 3+0.5 | 23.8 | 8 | 19 |
| (ANSI B16.5 RF) | Class 300 | 255 | 200 | 89 | 89 | 157 | 3+0.5 | 31.7 | 8 | 22 |
| DN 50 | PN 1.6MPa/4MPa | 165 | 125 | 48.3 | 57 | 102 | 3+0.5 | 20 | 4 | 18 |
| (法蘭DIN 2501) | PN 6.4MPa | 180 | 135 | 48.3 | 57 | 102 | 3+0.5 | 26 | 4 | 22 |
| (密封面DIN 2526 E) | PN 10MPa | 195 | 145 | 48.3 | 57 | 102 | 3+0.5 | 28 | 4 | 26 |
| DN 80 | PN 1.6MPa/4MPa | 200 | 160 | 76 | 75 | 138 | 3+0.5 | 24 | 8 | 18 |
| (法蘭DIN 2501) | PN 6.4MPa | 215 | 170 | 76 | 75 | 138 | 3+0.5 | 28 | 8 | 22 |
| (密封面DIN 2526 E) | PN 10MPa | 230 | 180 | 76 | 75 | 138 | 3+0.5 | 32 | 8 | 26 |
|
DN100 (法蘭DIN 2501) (密封面DIN 2526 E) |
PN 1.6MPa PN 4MPa |
220 235 |
180 190 |
89 89 |
89 89 |
158 162 |
3+0.5 3+0.5 |
20 24 |
8 8 |
18 22 |
| CR3000LT | CR3000 LT 型智能液位變送器 | ||
| 代碼 1 | 測量范圍(無遷移時)(kPa) | ||
| 3 | 0-4~7.5 | ||
| 4 | 0~37.4 | ||
| 5 | 0~186.8 | ||
| 6 | 0~690 | ||
| 7 | 0~2068 | ||
| 代碼 2 | 輸出 | ||
| S | 4mA-20mADC/HART,線性輸出 | ||
| 代碼 3 | 傳感器隔離膜片 | 傳感器灌充液 | |
| 2 | 316L 不銹鋼 | 硅油 | |
| 3 | 哈氏合金C | ||
| A | 316L 不銹鋼 | 氟油 | |
| 代碼 4 | 泄放孔位置(供有悶頭) | 過程法蘭/螺栓 | |
| B | 過程法蘭后部端面或無 |
不銹鋼/碳鋼 |
|
| U | 過程法蘭側面上部 | ||
| L | 過程法蘭側面下部 | ||
| 代碼5 | 過程法蘭O形圈材質(低壓側) | ||
| 7 | 丁腈橡膠(NBR) | ||
| 6 | 氟橡膠(FKM)(溫度≥-20℃) | ||
| 5 | 低溫氟橡膠(FKM-GFLT) | ||
| 代碼6 | 電氣接口 | 電子外殼 | |
| 1 | M20×1.5(配電纜密封頭) | 表面噴塑鋁合金 | |
| 2 | NPT1/2 內螺紋 | 表面噴塑鋁合金 | |
| 代碼7 | 銘牌 | ||
| C | 中文銘牌 | ||
| E | 英文銘牌 | ||
| 代碼 8 | 液位法蘭公稱直徑與耐壓等級 | ||
| C | DN 2″ Class 150 | ||
| D | DN 2″ Class 300 | ||
| J | DN 2″ Class 600 | ||
| E | DN 3″ Class 150 | ||
| F | DN 3″ Class 300 | ||
| K | DN 3″ Class 600 | ||
| G | DN 4″ Class 150 | ||
| H | DN 4″ Class 300 | ||
| Q | DN 50 PN 1.6MPa/4MPa | ||
| R | DN 50 PN 6.4MPa | ||
| M | DN 50 PN 10MPa | ||
| S | DN 80 PN 1.6MPa/4MPa | ||
| T | DN 80 PN 6.4MPa | ||
| N | DN 80 PN 10MPa | ||
| U | DN 100 PN 1.6MPa | ||
| W | DN 100 PN 4MPa | ||
| 代碼 9 | 液位法蘭隔離膜片 | ||
| A | 316L 不銹鋼 | ||
| B | 哈氏合金C | ||
| C | 鉭(僅適合平法蘭式) | ||
| E | PFA 涂層(僅適合平法蘭式) | ||
| F | F46 覆膜(僅適合平法蘭式) | ||
| G | 鍍金(僅適合平法蘭式) | ||
| 代碼 10 | 插入筒長度(mm) | ||
| 0 | 0(平法蘭式) | ||
| 1 | 50 | ||
| 2 | 100 | ||
| 3 | 150 | ||
| 代碼 11 | 高壓側灌充液 | ||
| A | 硅油 | ||
| C | 氟油 | ||
| 選項代碼 | 選項/選件 | ||
| d | 隔爆型Ex d ⅡC T4~T6 | ||
| i | 本安型Ex ia ⅡC T4~T6 | ||
| M3 | LCD 顯示表頭 | ||
| M4 | 帶背光LCD 顯示表頭 | ||
| D1 | 不銹鋼泄放閥或泄放螺釘(1 只) | ||
| C1 | NPT1/2 內螺紋腰形法蘭組件(1 套) | ||
| C12 | NPT1/2-M20×1.5-Φ14 引壓短管(1 套) | ||
| C2 | M20×1.5 外螺紋丁字接頭(1 套) | ||
| C21 | M20×1.5 丁字接頭-Φ14 引壓短管(1 套) | ||
| K1 |
脫脂處理 (氧氣測量限氟油灌充液、防爆、Pmax=6MPa) |
||
| L1 | 懸掛式位號牌 | ||
| 5C6 | 防雷保護(耐瞬變電壓)(不適合本安) | ||
| V | 防真空設計 | ||